по запросу руб.
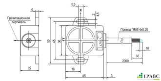
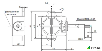
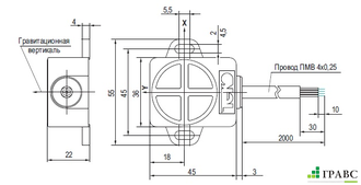
Датчик угла наклона NT I82P-51N1-Z продажа в СПб и России от компании ГРАВС.
Предназначен для измерения углов наклона рабочего оборудования относительно гравитационной вертикали.
Скачать прайс-лист датчиков с информацией по наличию и остаткам на складе можно здесь.

:format(png):watermark(s.siteapi.org/2ba400690ca9648.ru/watermark/goit8v6t9nkg80g8wkgcsos8okc848,-1,-1,0,15,none)/2ba400690ca9648.ru.s.siteapi.org/img/0976df5cacb25a88cd20f8d819f2992541dd4808.jpg)
:format(png):watermark(s.siteapi.org/2ba400690ca9648.ru/watermark/goit8v6t9nkg80g8wkgcsos8okc848,-1,-1,0,15,none)/2ba400690ca9648.ru.s.siteapi.org/img/705c28c90806d9bde9732b7c2062795f59ff0ff2.jpg)
:format(png):watermark(s.siteapi.org/2ba400690ca9648.ru/watermark/goit8v6t9nkg80g8wkgcsos8okc848,-1,-1,0,15,none)/2ba400690ca9648.ru.s.siteapi.org/img/da6a68a9cf63027b5d91006e01aa20c73b8d5218.png)
:format(png):watermark(s.siteapi.org/2ba400690ca9648.ru/watermark/goit8v6t9nkg80g8wkgcsos8okc848,-1,-1,0,15,none)/2ba400690ca9648.ru.s.siteapi.org/img/4a187ccbcb1895588d276fe22289ee301d52a232.png)